Электроотопительный котел ЭПО класса «Стандарт-Эконом» - это самая бюджетная модель в ряду отопительных приборов ЭВАН, которая подходит для использования как дома, так и на даче. Снижение цены на прибор на 20% в отличие от следующего за ним класса «Стандарт» достигается за счет отсутствия корпуса, объединяющего котел и пульт управления, при сохранении всех базовых характеристик и возможностей.
Требуемая температура теплоносителя в котле устанавливается встроенным термостатом путем плавной регулировки от 30 до 85 градусов. Кроме того, котлы имеют возможность подключения внешнего термостата, при помощи которого можно регулировать температуру воздуха в помещении.
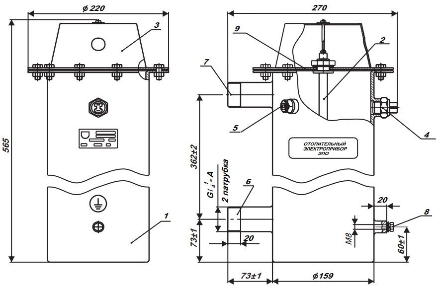
Для обеспечения безопасности при нагреве до заданной температуры теплоносителя терморегулятор отключает котел и включает его снова после снижения температуры ниже заданной. Для дополнительной защиты от перегрева приборы оснащены самовозвратным аварийным термовыключателем, который, в случае выхода из строя основного терморегулятора отключает котел при достижении теплоносителем температуры 92 градуса. ТЭНы котла ЭПО, как и всех без исключения электрокотлов ЭВАН, сделаны из нержавеющей стали, что повышает срок их службы.





















