ЗАПУСК РЕГУЛЯТОРА RF И RF ARCTIC.
РЕШЕНИЕ ПРОБЛЕМ ПРИ ЗАПУСКЕ РЕГУЛЯТОРА ДАВЛЕНИЯ ГАЗА
![]() | Частные дома, коттеджи, дачи |
РЕШЕНИЕ ПРОБЛЕМ ПРИ ЗАПУСКЕ РЕГУЛЯТОРА ДАВЛЕНИЯ ГАЗА
Регулятор давления газа RF Arctic
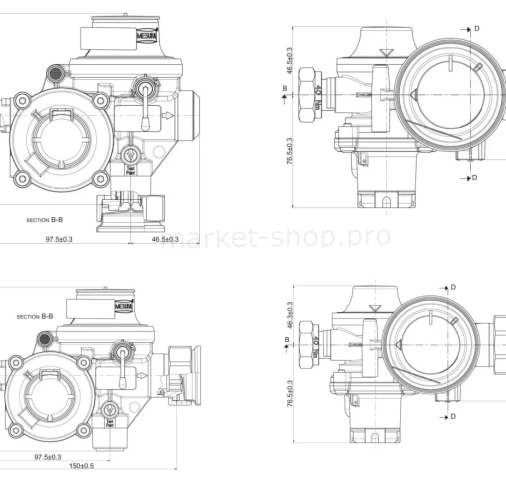
Особенности монтажа регулятора Rf и Rf Arctic
Регулятор давления газа RF ARCTIC
Запуск регулятора RF и RF Arctic. Решение проблем при запуске регулятора давления газа. 0:03 / 1:09 Испытания регулятора давления газа RF Arctic при -47 C
VisioSafe - индикатор работы регулятора давления RF и RF Arctic
Подземный пункт редуцирования "ЕВРОПА"
Единственные комбинированные регуляторы давления газа RF Arctic 25 G, специально разработанные и изготовленные для использования в зимних условиях с температурой эксплуатации -50 °С на территории Российской Федерации.
Регуляторы RF Arctic 25 G эксплуатируются с 2014 года в Республике Саха (Якутия), Сибирском, Дальневосточном, Центральном и Северно-Западном федеральных округах.
RF Arctic 25 G выдает стабильные показатели даже при температуре редуцируемой среды –56 °С, что подтверждено документами.
В конструкции применены оригинальные решения, гарантирующие полную функциональность в условиях экстремально низких температур. Практически все элементы корпуса регулятора завальцованы: это обеспечивает надежную страховку от протечек под влиянием линейного теплового расширения материала корпуса. Сам корпус регулятора сделан из сплава ZAMAK, который в сравнении с алюминиево-кремниевыми сплавами значительно прочнее и имеет меньший коэффициент теплового расширения.
В регуляторах RF Arctic применены специальные материалы мембран и резиновых уплотнений, устойчивые к воздействию холода без потери эластичности и долговечности.
Увеличенные зазоры в трущихся элементах в сочетании с низкотемпературными смазками обеспечивают регулятору работоспособность даже при намерзании конденсата на внутренних частях и деталях.
На весь период эксплуатации регулятора RF Arctic 25 G не требуется проводить дополнительного обслуживания при устойчивой работе оборудования. Обслуживание заключается только в визуальном осмотре регулятора.
- от падения давления в патрубках входном или выходном,
- от чрезмерного роста давления газа при внезапном ограничении отбора газа,
- от чрезмерного роста давления, вызванного неисправностью регулятора,
- от механических загрязнений газа, от конденсата
Технические параметры настроек | [кПa] |
Давление срабатывания при понижении давления (UPSO) | >1,0 при потоке 100%/150%Qn |
Давление срабатывания быстрозапорного клапана (ПЗК), срабатывающего при повышении давления на выходе (OPSO) | 3,7÷4,6 (+10%) |
Давление срабатывания предохранительного сбросного клапана (ПСК) | 2,9÷3,4(+10%) |
Давление на тупике (не более) | ≤2,6 |
Срок эксплуатации регулятора - 17 лет.
Гарантия: Предоставляем на срок 24 месяца от момента пуска устройства в эксплуатацию, но не более 27 месяцев от даты продажи.
Минимальная партия регуляторов — от 10 шт. (1 коробка)
Компания «ФАРГАЗ» предлагает приобрести бытовые регуляторы давления газа, газорегуляторные пункты и другое газовое оборудование. Поставки в России, Беларуси и Казахстане. Мы являемся крупнейшим производителем и поставщиком запорной арматуры различных типов и для различных газов на территории Таможенного Союза. Исключительное качество, надежность и безопасность — вот причины, по которым ведущие предприятия на протяжении многих лет выбирают нас. Наша компания поставляет следующие бытовое и промышленное газовое оборудование:
- Промышленные регуляторы давления газа;
- Бытовые регуляторы давления газа;
- Подземные ШРП, ГРП и другое газовое оборудование для природного газа.
Единственные комбинированные регуляторы давления газа RF Arctic 25 G, специально разработанные и изготовленные для использования в зимних условиях с температурой эксплуатации -50 °С на территории Российской Федерации.
Регуляторы RF Arctic 25 G эксплуатируются с 2014 года в Республике Саха (Якутия), Сибирском, Дальневосточном, Центральном и Северно-Западном федеральных округах.
RF Arctic 25 G выдает стабильные показатели даже при температуре редуцируемой среды –56 °С, что подтверждено документами.
В конструкции применены оригинальные решения, гарантирующие полную функциональность в условиях экстремально низких температур. Практически все элементы корпуса регулятора завальцованы: это обеспечивает надежную страховку от протечек под влиянием линейного теплового расширения материала корпуса. Сам корпус регулятора сделан из сплава ZAMAK, который в сравнении с алюминиево-кремниевыми сплавами значительно прочнее и имеет меньший коэффициент теплового расширения.
В регуляторах RF Arctic применены специальные материалы мембран и резиновых уплотнений, устойчивые к воздействию холода без потери эластичности и долговечности.
Увеличенные зазоры в трущихся элементах в сочетании с низкотемпературными смазками обеспечивают регулятору работоспособность даже при намерзании конденсата на внутренних частях и деталях.
На весь период эксплуатации регулятора RF Arctic 25 G не требуется проводить дополнительного обслуживания при устойчивой работе оборудования. Обслуживание заключается только в визуальном осмотре регулятора.
- от падения давления в патрубках входном или выходном,
- от чрезмерного роста давления газа при внезапном ограничении отбора газа,
- от чрезмерного роста давления, вызванного неисправностью регулятора,
- от механических загрязнений газа, от конденсата
Технические параметры настроек | [кПa] |
Давление срабатывания при понижении давления (UPSO) | >1,0 при потоке 100%/150%Qn |
Давление срабатывания быстрозапорного клапана (ПЗК), срабатывающего при повышении давления на выходе (OPSO) | 3,7÷4,6 (+10%) |
Давление срабатывания предохранительного сбросного клапана (ПСК) | 2,9÷3,4(+10%) |
Давление на тупике (не более) | ≤2,6 |
Срок эксплуатации регулятора - 17 лет.
Гарантия: Предоставляем на срок 24 месяца от момента пуска устройства в эксплуатацию, но не более 27 месяцев от даты продажи.
Минимальная партия регуляторов — от 10 шт. (1 коробка)
Компания «ФАРГАЗ» предлагает приобрести бытовые регуляторы давления газа, газорегуляторные пункты и другое газовое оборудование. Поставки в России, Беларуси и Казахстане. Мы являемся крупнейшим производителем и поставщиком запорной арматуры различных типов и для различных газов на территории Таможенного Союза. Исключительное качество, надежность и безопасность — вот причины, по которым ведущие предприятия на протяжении многих лет выбирают нас. Наша компания поставляет следующие бытовое и промышленное газовое оборудование:
- Промышленные регуляторы давления газа;
- Бытовые регуляторы давления газа;
- Подземные ШРП, ГРП и другое газовое оборудование для природного газа.


